Short Description:
LW8-40.5 series sulfur hexafluoride circuit breakers are threephase AC 50Hz outdoor high voltage electrical equipment,applicable to 40.5 kV transmission and distribution system controlling and protection, also for contacting circuit breaker and open-close capacitor bank. Product breaking performance is excellent, using compressed air interrupter, long electrical life,at rated voltage 40 kV short-circuit current continuouson-off up to21 times without maintenance; Two current transformers per unit, for users choosing.The product adopts a new MKZ SF6 pointer density meter,pressure gauge readings are not affected by temperature changes,easy to use.CT14 spring mechanism is used in this product.
Overview
LW8-40.5 series sulfur hexafluoride circuit breakers are threephase AC 50Hz outdoor high voltage electrical equipment,applicable to 40.5 kV transmission and distribution system controlling and protection, also for contacting circuit breaker and open-close capacitor bank. Product breaking performance is excellent, using compressed air interrupter, long electrical life,at rated voltage 40 kV short-circuit current continuouson-off up to21 times without maintenance; Two current transformers per unit, for users choosing.The product adopts a new MKZ SF6 pointer density meter,pressure gauge readings are not affected by temperature changes,easy to use.CT14 spring mechanism is used in this product.
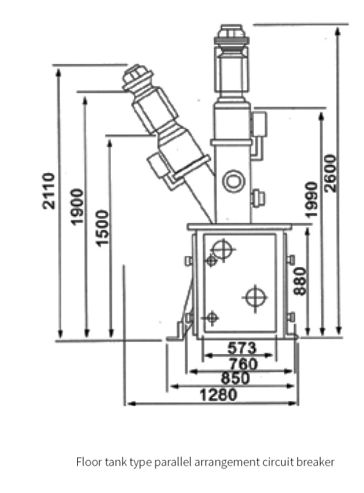
The circuit breaker contains floor tank type and porcelain column type. Porcelain column type has two kinds of arrangement,parallel arrangement and elevated T frame (middle type) arrangement.
Working Environment
1. (The altitude): 1000m;2000m;3000m;
2. (The environment temperature):-30°C ~+40°C
3. (Pollution level):II、II、IV
Technical Specifications


